RK Evropa
MENU
Zavřít mapu
Foto
Novinka
15 490 000 Kč

G - Mimořádně nehospodárná
Počet obrázků24
Rodinné bydlení s atmosférou domu: Mezonet 4+kk (96 m²) se zahradou, velkorysou garáží a výhledy na Radotín
  • 4+kk
    Dispozice
  • Osobní
    Vlastnictví
  • 141 m2
    Plocha
  • 0
    Podlaží
  • Mezonet
    Typ bytu
  • Smíšená
    Budova

Rodinné bydlení s atmosférou domu: Mezonet 4+kk (96 m²) se zahradou, velkorysou garáží a výhledy na Radotín

Na Krupičárně, Praha, okres území Hlavního města Prahy

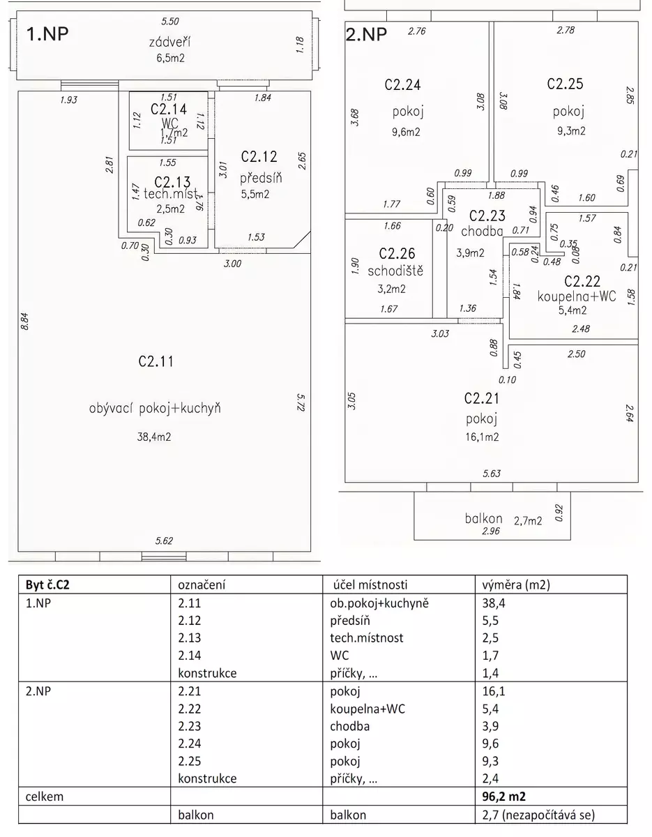
Hledáte kompromis mezi bytem a rodinným domem? Nabízíme k prodeji prostorný mezonetový byt 4+kk v osobním vlastnictví, který se svou dispozicí a zázemím vyrovná řadovému domu. Byt o celkové ploše 141 m² se nachází v klidné ulici Na Krupičárně v žádané lokalitě Praha – Radotín.

Byt z roku 2016 je chytře rozdělen do dvou podlaží, což zajišťuje dokonalé oddělení:

1. NP: Dominuje zde světlý obývací pokoj s kuchyňským koutem (38,4 m²), samostatné WC a praktická technická místnost.

2. NP: V patře se nachází tři samostatné ložnice (16 m², 9,6 m², 9,3 m²) a koupelna. Hlavní ložnice nabízí dostatek prostoru. Z hlavní ložnice je vstup na balkon (2,7 m²) s krásným výhledem do údolí a do města.

Zahrada a garáž: K bytu náleží udržovaná zahrada, která poskytuje dostatek soukromí díky vzrostlým tújím. Najdete zde terasu pro letní grilování i travnatou plochu pro děti. Absolutním unikátem je nadstandardní garáž o velikosti 42,75 m² umístěná v suterénu. Prostor pohodlně pojme dvě auta, nebo jedno auto a část poslouží jako velkorysá dílna či sklad pro sportovní vybavení (kola, lyže, motorka).

Nízké provozní náklady: Vytápění i ohřev vody zajišťuje elektrický kotel. Celkové měsíční náklady na bydlení (elektřina, voda, služby) pouze okolo 5 800 Kč. Energetická třída G je uvedena dočasně, reálná nákladovost odpovídá novostavbě.

Lokalita: Radotín je perfektní místo pro život – kombinuje přírodu s rychlou dostupností centra.

- Doprava: Vlakem jste na Smíchovském nádraží za pouhých 10 minut, na Hlavním nádraží za 20 minut.
- Vybavenost: V pěší dostupnosti jsou školy, školky, supermarket, pošta i lékaři.
- Volný čas: Pár minut od domu je Biotop Radotín, cyklostezky podél Berounky a sportovní haly.

Přijďte se přesvědčit o tom, že tento byt nabízí komfort domu bez starostí s jeho údržbou. Těšíme se na prohlídku.

Informace o nemovitosti

Číslo zakázky
972075
Okres
území Hlavního města Prahy
Obec
Praha
Městská část
Praha 16
Ulice
Na Krupičárně
Datum aktualizace
12.12.2025
Kategorie
Byty
Dispozice bytu
4+kk
Vlastnicví
Osobní
Stav objektu
Velmi dobrý
Budova
Smíšená
Počet podlaží objektu
3
Počet míst k parkování
2
Elektřina
230V
Odpad
Veřejná kanalizace
Komunikace
Asfaltová
Energetická náročnost
G - Mimořádně nehospodárná

Kontaktovat makléře